Unterduckanschluesse neben Verteiler/Zuendspule; Choke-Vorwaermung
Moderatoren: immerfernweh, elsterwelle, torf, TripleT
Forumsregeln
Beachte bitte, je genauer Du dein Problem beschreibst, umso weniger Rückfragen wird es geben, bis Dir vielleicht jemand helfen kann. Vergiss nicht zuzufügen, welche Schritte zur Problemlösung Du bisher schon unternommen hast.
Beachte bitte, je genauer Du dein Problem beschreibst, umso weniger Rückfragen wird es geben, bis Dir vielleicht jemand helfen kann. Vergiss nicht zuzufügen, welche Schritte zur Problemlösung Du bisher schon unternommen hast.
-
ndaustue
- Beiträge: 68
- Registriert: Mo 14. Jul 2025, 13:58
- Fuhrpark: Honda Monkey 1976
VW Kaefer Cabrio 1960
Porsche targa 1991
Mercedes 500SL 1992
Mustang 289 Cabrio 1967
Unterduckanschluesse neben Verteiler/Zuendspule; Choke-Vorwaermung
Moin,
ich hab nun ewig gesucht; finde dazu nix:
Wozu sind diese drei (Unterdruck-?)Anschluesse knapp neben dem Verteiler?
Setup: 67er, 289er Originalmotor, elektronische Zuendung und Zuendspule von PerTronix, Edelbrock 1403, ovaler Sport-Luftfilter, ausgebaute Klimaanlage, Heizung funktioniert.
Sollten die Anschluesse verschlossen werden? Wozu dienen die ansonsten?
Und: Das Choke-Vorwaermrohr vom rechten (Guss-)Abgaskruemmer ist offen (wegen Edelbrock) im Motorraum. Damit muesste es doch eigentlich staendig warme Abgase in den Motorraum pusten; sollte die Blechleitung verschlossen werden?
Ich bin seit Uebernahme des Mustangs auf Entdeckungsreise; da wurde in den letzten 30 Jahren in D schon einiges optimiert; mit ein paar Sachen kenn ich mich nimmer/noch nicht aus. Meine vorige Mustang-Zeit ist laaaange her; der damalige 66er war komplett original....
Fuer die Klimaanlage folgt ein neuer post.
aNDi
ich hab nun ewig gesucht; finde dazu nix:
Wozu sind diese drei (Unterdruck-?)Anschluesse knapp neben dem Verteiler?
Setup: 67er, 289er Originalmotor, elektronische Zuendung und Zuendspule von PerTronix, Edelbrock 1403, ovaler Sport-Luftfilter, ausgebaute Klimaanlage, Heizung funktioniert.
Sollten die Anschluesse verschlossen werden? Wozu dienen die ansonsten?
Und: Das Choke-Vorwaermrohr vom rechten (Guss-)Abgaskruemmer ist offen (wegen Edelbrock) im Motorraum. Damit muesste es doch eigentlich staendig warme Abgase in den Motorraum pusten; sollte die Blechleitung verschlossen werden?
Ich bin seit Uebernahme des Mustangs auf Entdeckungsreise; da wurde in den letzten 30 Jahren in D schon einiges optimiert; mit ein paar Sachen kenn ich mich nimmer/noch nicht aus. Meine vorige Mustang-Zeit ist laaaange her; der damalige 66er war komplett original....
Fuer die Klimaanlage folgt ein neuer post.
aNDi
-
canadian_red_maple_leaf
- Beiträge: 5867
- Registriert: Sa 14. Apr 2007, 10:21
- Fuhrpark: -) 65 Mustang K Code GT Fastback
-) 69 Mustang M Code GT Sportsroof
-) 71 Mustang 351 Boss
Re: Unterduckanschluesse neben Verteiler/Zuendspule; Choke-Vorwaermung
kannst vergessen.
die waren für die Zündung zuständig je nach Betriebswärme.
ich habe meine alle ausgebaut bzw stillgelegt.
mfg
abudi
die waren für die Zündung zuständig je nach Betriebswärme.
ich habe meine alle ausgebaut bzw stillgelegt.
mfg
abudi
-
ndaustue
- Beiträge: 68
- Registriert: Mo 14. Jul 2025, 13:58
- Fuhrpark: Honda Monkey 1976
VW Kaefer Cabrio 1960
Porsche targa 1991
Mercedes 500SL 1992
Mustang 289 Cabrio 1967
Re: Unterduckanschluesse neben Verteiler/Zuendspule; Choke-Vorwaermung
Was meinst Du mit ´stillgelegt´? Verschlossen? Ausbau geht m.W. nicht, unten in das Ding geht noch eine Leitung rein...
Oder ist die zufaellig nur unter dem Teil?
aNDi
Oder ist die zufaellig nur unter dem Teil?
aNDi
-
canadian_red_maple_leaf
- Beiträge: 5867
- Registriert: Sa 14. Apr 2007, 10:21
- Fuhrpark: -) 65 Mustang K Code GT Fastback
-) 69 Mustang M Code GT Sportsroof
-) 71 Mustang 351 Boss
Re: Unterduckanschluesse neben Verteiler/Zuendspule; Choke-Vorwaermung
ich würde es einfach so lassen wie es ist oder gegebenenfalls einen Stoppel rein schrauben. dafür müsste mann aber das Wasser ablassen.
mfg abudi
- Phibs
- Beiträge: 192
- Registriert: Fr 22. Jun 2018, 16:22
- Clubmitglied: Ja
- Fuhrpark: 1967 Mustang Hardtop, 289 2V (Autolite 2100), C4, AC, Power Steering, Power Drum Brakes
Re: Unterduckanschluesse neben Verteiler/Zuendspule; Choke-Vorwaermung
Alle in Kalifornien ausgelieferten 289er mit Klimaanlage hatten diesen Vakuumschalter in 1967. Diese Kisten wurden damals mit nahezu 0 Grad statischer Frühzündung betrieben, damit die “Abgasbehandlung” durch den Thermactor (Sekundärluftpumpe) funktioniert. Wenn das Kühlwasser eine bestimmte Temperatur erreicht, schaltet der von Ported Vacuum auf Manifold Vacuum um, dadurch geht im Leerlauf die Drehzahl hoch und das Lüfterrad dreht schneller. Sollte für eine bessere Motorkühlung sorgen, wenn Du in LA mit aktivierter Klimaanlage im Stau hingst. Wahrscheinlich wurde bei Dir neben der Klimaanlage auch das Thermactor-System entfernt? Ich habe bei mir einfach Stopfen auf die oberen beiden Anschlüsse an diesem “Baum” gemacht, und den unteren Anschluss am Manifold Vacuum belassen.
Philipp
1967 Mustang Hardtop, 289 2V (Autolite 2100), C4, AC, Power Steering, Power Drum Brakes


1967 Mustang Hardtop, 289 2V (Autolite 2100), C4, AC, Power Steering, Power Drum Brakes

- T5owner
- Beiträge: 3483
- Registriert: So 25. Mär 2007, 22:00
- Clubmitglied: Nein
- Fuhrpark: 1968 T-5 FB
- Kontaktdaten:
Re: Unterduckanschluesse neben Verteiler/Zuendspule; Choke-Vorwaermung
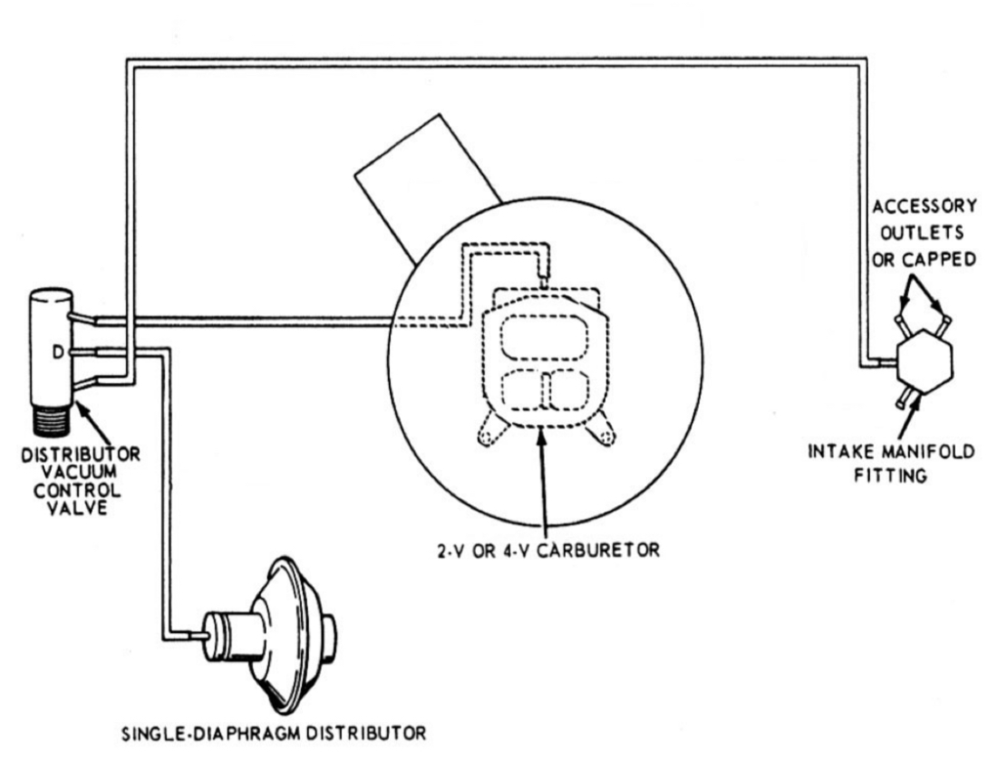
Thermostatischer Vakuumverteiler - die Anschlüsse werden je nach Ausstattung und Motor unterschiedlich genutzt. Unten sitzt nur der Temperaturfühler.
Hier für einen 289/302 mit Automatic/Imco/ Bypass Klima (fehlt hier) Wie schon erwähnt, verstellt er die Zündung im Warmlaufbetrieb und ggf. die Vorwärmung über Klappe (Luffi vom Auspuffkrümmer).
Wenn nichts angeschlossen ist, kann auch nichts entweichen... wie Abudi schon sagte.
Bei Originalzustand muß man sich natürlich mehr damit befassen und ins 67er Handbuch schauen (hier 68er zu sehen)
Hier für einen 289/302 mit Automatic/Imco/ Bypass Klima (fehlt hier) Wie schon erwähnt, verstellt er die Zündung im Warmlaufbetrieb und ggf. die Vorwärmung über Klappe (Luffi vom Auspuffkrümmer).
Wenn nichts angeschlossen ist, kann auch nichts entweichen... wie Abudi schon sagte.
Bei Originalzustand muß man sich natürlich mehr damit befassen und ins 67er Handbuch schauen (hier 68er zu sehen)
Wolfgang
-
ndaustue
- Beiträge: 68
- Registriert: Mo 14. Jul 2025, 13:58
- Fuhrpark: Honda Monkey 1976
VW Kaefer Cabrio 1960
Porsche targa 1991
Mercedes 500SL 1992
Mustang 289 Cabrio 1967
Re: Unterduckanschluesse neben Verteiler/Zuendspule; Choke-Vorwaermung
Besten Dank fuer die Erklaerung(en). Da an meinem sowohl eine elektronische Zuendung verbaut als auch die Klima draussen ist, mach ich also nur ein paar Stoepsel auf die offenen Leitungen, damit sie nicht verdrecken. Der Motor laeuft einwandfrei, nur die Hydros klappern bei warmer Maschine ein wenig (Ventilvorspannung muss ich noch ueberpruefen...)
Die Warmluftleitung vom Kruemmer mache ich auch zu.
Eigentlich muessten in der Kaefer-Ersatzteilkiste noch reichlich Gummikappen der Radbremszylinderentlueftungsnippel sein, die duerften perfekt passen.
Das manual mus sich mir unbedingt besorgen; dann entfallen sicher viele Fragen.
Gruss!
aNDi
Die Warmluftleitung vom Kruemmer mache ich auch zu.
Eigentlich muessten in der Kaefer-Ersatzteilkiste noch reichlich Gummikappen der Radbremszylinderentlueftungsnippel sein, die duerften perfekt passen.
Das manual mus sich mir unbedingt besorgen; dann entfallen sicher viele Fragen.
Gruss!
aNDi